Electronique > Réalisations > Correcteurs > Filtre BF 002

Dernière mise à jour : 22/02/2026

Présentation

Ce filtre BF est un filtre passe-bande approximativement centré sur 1 kHz, qui atténue les fréquences graves et aigues. 

Deux versions sont proposées :

- Schéma 002 : version initiale composée de deux filtres passe-bande étroits de fréquence centrale légèrement décalée (pentes raides)
- Schéma 002b : version composée d'un filtre passe-bas suivi d'un filtre passe-haut (pente 12 dB/oct aux deux extrémités)

Il peut par exemple être utilisé pour simuler une voix entendue dans un téléphone, ou limiter la bande passante d'un signal audio destiné à être injecté sur une ligne téléphonique (comme cela est mis en pratique dans mon insert téléphonique 001) même s'il est vrai qu'un filtre "plus rigoureux" serait davantage approprié pour ce genre d'application. A vous de voir d'écouter.

   

Schéma 002

Il est basé sur l'emploi d'un quadruple AOP de type TL084, dont seule la moitié (U1:A et U1:B) est utilisée pour la partie filtrage, puisque le filtre est monophonique.

Filtre BF 002

Les deux AOP restant (U1:C et U1:D) peuvent au besoin être utilisés pour doubler le filtre et en faire une version stéréophonique.

Remarque : dans le schéma proposé, un des deux AOP restant (ici U1:D) est utilisé pour atténuer le signal d'entrée avant de l'appliquer au filtre, dans l'hypothèse où le gain apporté dans la bande utile (environ +28 dB) vous ennuie. Le taux d'atténuation peut être modifié à votre convenance, il suffit d'adapter la valeur de RATT1 ou RATT2.

   
Réponse en fréquence
La réponse en fréquence n'est pas plate dans la bande concernée (900 - 1200 Hz), mais présente un petit creux à 1 KHz. La bande passante réelle est très étroite et la réjection sous 300 Hz et au-dessus de 3 kHz est très élevée.
   
Réponse amplitude/fréquence avec l'atténuateur d'entrée en service (gain proche de 0 dB dans la bande utile) :
filtre_bf_002_graph_001
   
Réponse amplitude/fréquence avec l'atténuateur d'entrée hors service (gain proche de +28 dB dans la bande utile) :
filtre_bf_002_graph_002

   

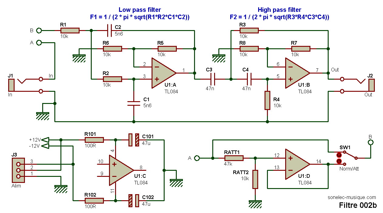
Schéma 002b

Contrairement au schéma précédent, ce filtre est composé de deux sections câblées en série et agissant de manière opposée. La première section est un filtre passe-bas (low-pass filter) et la seconde section est un filtre passe-haut (high-pass filter).

Filtre BF 002b

Là encore, il est possible d'atténuer le signal d'entrée avant de l'appliquer au filtre, dans l'hypothèse où le gain apporté dans la bande utile (environ +13 dB) vous ennuie. Et là encore, le taux d'atténuation peut être modifié à votre convenance en adaptant la valeur de RATT1 ou RATT2.

Réponse en fréquence
Une fois de plus, la réponse en fréquence n'est pas parfaitement plate dans la bande concernée (300 - 3000 Hz), elle est (très) légèrement incurvée. La pente d'atténuation aux deux extrémités (basses fréquences et hautes fréquences) est de -12 dB/oct.
 
Réponse amplitude/fréquence avec l'atténuateur d'entrée en service (gain proche de 0 dB dans la bande utile) :
filtre_bf_002b_graph_001
   
Réponse amplitude/fréquence avec l'atténuateur d'entrée hors service (gain proche de +13 dB dans la bande utile) :
filtre_bf_002b_graph_002

   

Historique

22/02/2026
- Ajout schéma 002b , avec bande passante "plus plate".

07/09/2007
- Première mise à disposition (schéma 002).